
MIL-DTL-15370/16C
Inches
mm
.030
0.76
.04
1.02
.12
3.05
.133
3.38
.139
3.53
.25
6.35
.31
7.87
.36
9.14
.50
12.70
.70
17.78
1.250
31.75
1.43
36.32
1.50
38.10
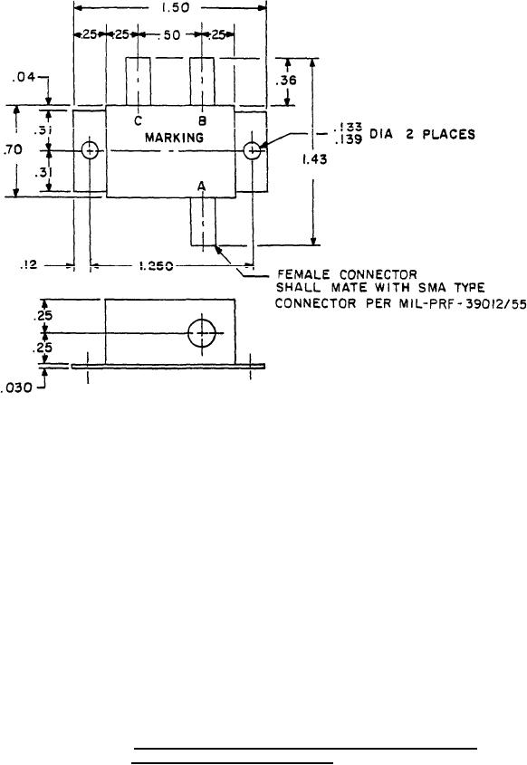
NOTES:
1. Dimensions are in inches.
2. Metric equivalents are given for information only.
3. Unless otherwise specified, tolerance is ±.03 (0.8 mm).
FIGURE 5. Dimensions and configuration for part numbers M15370/16-016
M15370/16-019, and M15370/16-023.
5
For Parts Inquires submit RFQ to Parts Hangar, Inc.
© Copyright 2015 Integrated Publishing, Inc.
A Service Disabled Veteran Owned Small Business