
MIL-DTL-15370/16C
Inches
mm
Inches
mm
.002
0.05
.31
7.9
.010
0.25
.350
8.89
.03
0.8
.375
9.52
.05
1.3
.50
12.7
.112
2.84
.75
19.0
.12
3.05
1.500
38.10
.125
3.18
2.00
50.8
.25
6.5
3.50
88.9
.300
7.62
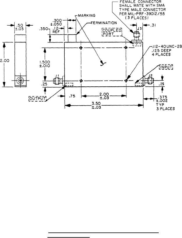
NOTES:
1. Dimensions are in inches.
2. Metric equivalents are given for information only.
3. Unless otherwise specified, tolerance is ±.02 (0.5 mm).
FIGURE 4. Dimensions and configuration for part numbers M15370/16-004
through M15370/16-007.
4
For Parts Inquires submit RFQ to Parts Hangar, Inc.
© Copyright 2015 Integrated Publishing, Inc.
A Service Disabled Veteran Owned Small Business