
MIL-DTL-15370/16C
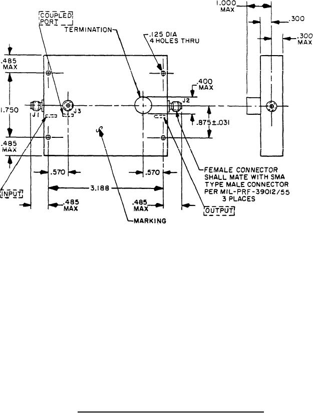
Inches
mm
.031
0.79
.125
3.18
.300
7.62
.400
10.16
.485
12.32
.570
14.48
.875
22.22
1.000
25.40
1.750
44.45
3.188
80.98
NOTES:
1. Dimensions are in inches.
2. Metric equivalents are given for information only.
3. Unless otherwise specified, tolerance is ±.16 (0.41 mm).
FIGURE 3. Dimensions and configuration for part number M15370/16-003.
3
For Parts Inquires submit RFQ to Parts Hangar, Inc.
© Copyright 2015 Integrated Publishing, Inc.
A Service Disabled Veteran Owned Small Business