
INCH-POUND
MIL-DTL-15370/16C
7 May 2008
SUPERSEDING
MIL-DTL-15370/16B
18 June 2003
DETAIL SPECIFICATION SHEET
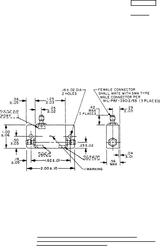
COUPLERS, DIRECTIONAL, (COAXIAL, SMA CONNECTORS)
(2 TO 1000 MHz)
This specification is approved for use by all Depart-
ments and Agencies of the Department of Defense.
The requirements for acquiring the couplers described herein
shall consist of this specification sheet and MIL-DTL-15370.
Inches
mm
Inches
mm
Inches
mm
.01
0.3
.10
2.5
.42
10.7
.02
0.5
.16
4.1
.50
12.7
.03
0.8
.19
4.8
.56
14.2
.04
1.0
.25
6.4
1.00
25.4
.05
1.3
.29
7.4
1.25
31.8
.06
1.5
.38
9.7
1.62
41.1
2.00
50.8
NOTES:
1. Dimensions are in inches.
2. Metric equivalents are given for information only.
FIGURE 1. Dimensions and configuration for part numbers M15370/16-001
M15370/16-008 through M15370/16-015, M15370/16-017, M15370/16-018,
and M15370/16-020 through M15370/16-022.
AMSC N/A
FSC 5985
For Parts Inquires submit RFQ to Parts Hangar, Inc.
© Copyright 2015 Integrated Publishing, Inc.
A Service Disabled Veteran Owned Small Business