
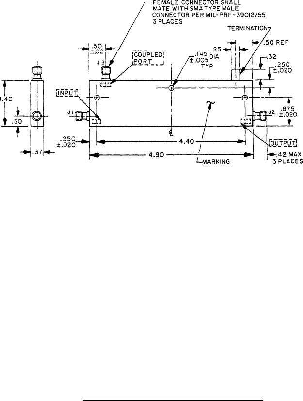
MIL-DTL-15370/16C
Inches
mm
.005
0.13
.020
0.51
.145
3.68
.250
6.35
.30
7.6
.32
8.13
.37
9.4
.42
10.7
.50
12.7
.875
22.22
1.40
35.6
4.40
111.8
4.90
124.5
NOTES:
1. Dimensions are in inches.
2. Metric equivalents are given for information only.
3. Unless otherwise specified, tolerance is ±.03 (0.8 mm).
FIGURE 2. Dimensions and configuration for part number M15370/16-002.
2
For Parts Inquires submit RFQ to Parts Hangar, Inc.
© Copyright 2015 Integrated Publishing, Inc.
A Service Disabled Veteran Owned Small Business