
MIL-DTL-39030/20C
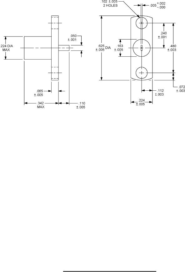
Inches
mm
0.03
.001
0.05
.002
0.08
.003
0.13
.005
1.27
.050
1.65
.065
1.83
.072
2.59
.102
2.79
.110
2.84
.112
4.14
.163
5.69
.224
6.10
.240
8.69
.342
12.19
.480
15.88
.625
NOTES:
1. Dimensions are in inches.
2. Metric equivalents are given for information only.
FIGURE 5. Dimensions and configuration, PIN M39030/20-6.
4
For Parts Inquires submit RFQ to Parts Hangar, Inc.
© Copyright 2015 Integrated Publishing, Inc.
A Service Disabled Veteran Owned Small Business