
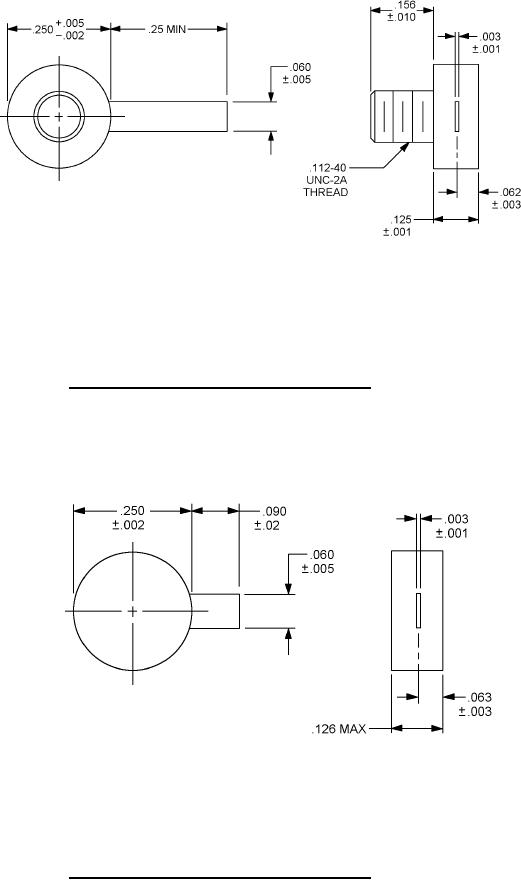
MIL-DTL-39030/20C
Inches
mm
0.03
.001
0.05
.002
0.08
.003
0.13
.005
0.25
.010
1.52
.060
1.57
.062
2.84
.112
3.18
.125
3.96
.156
6.4
.25
NOTES:
1. Dimensions are in inches.
2. Metric equivalents are given for information only.
FIGURE 2. Dimensions and configuration, PIN M39030/20-02.
Inches
mm
0.03
.001
0.05
.002
0.08
.003
0.13
.005
0.5
.02
1.52
.060
1.60
.063
2.29
.090
3.20
.126
3.35
.250
NOTES:
1. Dimensions are in inches.
2. Metric equivalents are given for information only.
FIGURE 3. Dimensions and configuration, PIN M39030/20-03.
2
For Parts Inquires submit RFQ to Parts Hangar, Inc.
© Copyright 2015 Integrated Publishing, Inc.
A Service Disabled Veteran Owned Small Business