
MIL-DTL-39030/20C
Inches
mm
0.013
.0005
.002
0.05
0.051
.0020
.0030
0.076
0.13
.005
1.65
.065
.110
2.79
3.07
.121
3.43
.135
6.35
.250
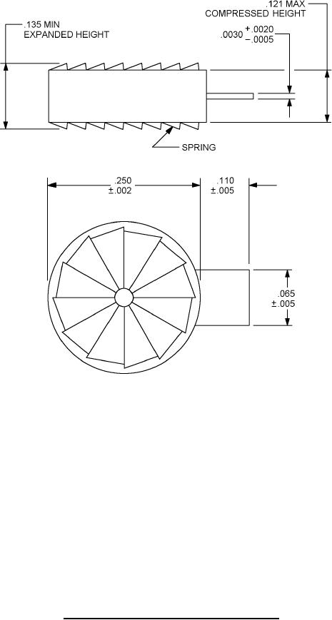
NOTES:
1. Dimensions are in inches.
2. Metric equivalents are given for information only.
FIGURE 4. Dimensions and configuration, PIN M39030/20-05.
3
For Parts Inquires submit RFQ to Parts Hangar, Inc.
© Copyright 2015 Integrated Publishing, Inc.
A Service Disabled Veteran Owned Small Business