
INCH-POUND
MIL-DTL-39030/20C
9 April 2004
SUPERSEDING
MIL-DTL-39030/20B
14 April 2003
DETAIL SPECIFICATION SHEET
DUMMY LOADS, ELECTRICAL,
TYPE XIV (TAB CONTACT), STRIPLINE, LOW POWER
This specification is approved for use by all Departments and Agencies of the Department of Defense.
The requirements for acquiring the product described herein shall consist of this specification sheet and
MIL-DTL-39030.
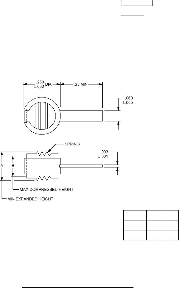
Inches
mm
Inches
mm
Dash
3.56
.140
0.03
.001
A
B
number
6.25
.246
0.05
.002
6.35
.250
0.08
.003
01
.265
.246
6.4
.25
0.13
.005
6.73
.265
1.52
.060
04
.140
.121
30.7
.121
NOTES:
1. Dimensions are in inches.
2. Metric equivalents are given for information only.
3. Part or Identifying Number (PIN).
FIGURE 1. Dimensions and configuration, PINs M39030/20-01 and -04.
AMSC N/A
FSC 5985
For Parts Inquires submit RFQ to Parts Hangar, Inc.
© Copyright 2015 Integrated Publishing, Inc.
A Service Disabled Veteran Owned Small Business