
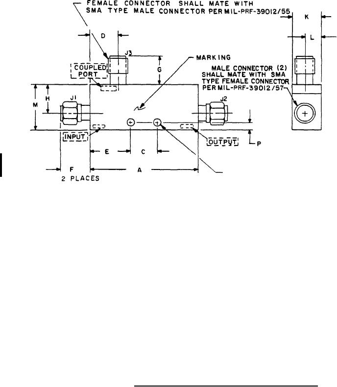
MIL-DTL-15370/9H
.114
.094 DIA THRU 2 PLACES
Inches
mm
.094
2.38
.114
2.90
NOTES:
1. Dimensions are in inches.
2. Metric equivalents are given for information only.
FIGURE 6. Dimensions and configuration for part numbers M15370/9-039.
6
For Parts Inquires submit RFQ to Parts Hangar, Inc.
© Copyright 2015 Integrated Publishing, Inc.
A Service Disabled Veteran Owned Small Business