
MIL-DTL-15370/9H
.125 +.004
-.002 DIA THRU 2 PLACES
Inches
mm
.002
0.05
.004
0.10
.125
3.18
NOTES:
1. Dimensions are in inches.
2. Metric equivalents are given for information only.
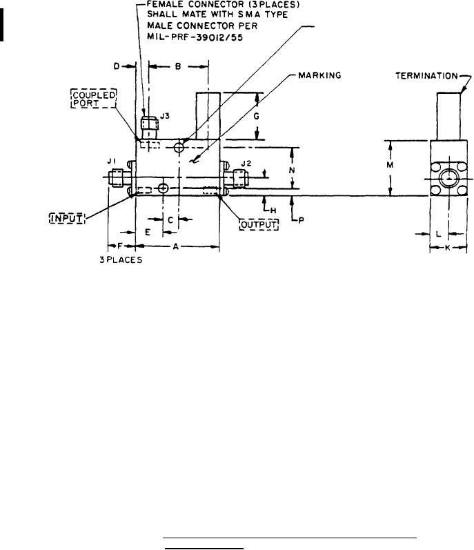
FIGURE 3. Dimensions and configuration for part number M15370/9-015
and M15370/9-016.
3
For Parts Inquires submit RFQ to Parts Hangar, Inc.
© Copyright 2015 Integrated Publishing, Inc.
A Service Disabled Veteran Owned Small Business