
MIL-DTL-15370/9H
.104 +.004
-.002 DIA THRU
2 PLACES
Inches
mm
.002
0.05
.004
0.10
.104
2.64
NOTES:
1. Dimensions are in inches.
2. Metric equivalents are given for information only.
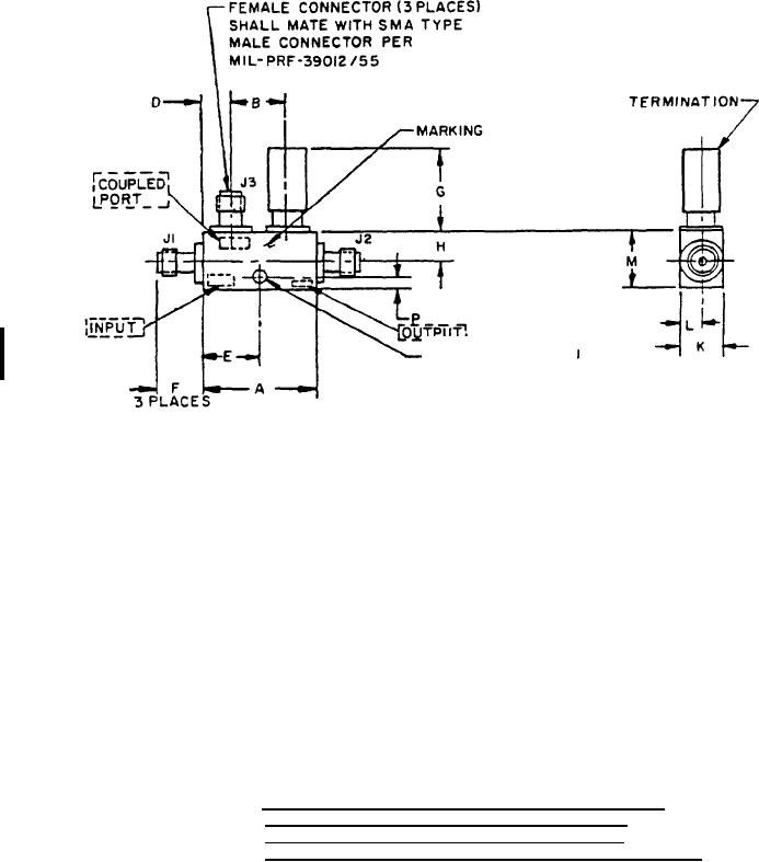
FIGURE 2. Dimensions and configuration for part number M15370/9-009
through M15370/9-014, M15370/9-017, M15370/9-018,
M15370/9-022 through M15370/9-025, M15370/9-027,
M15370/9-028, M15370/9-043, M15370/9-045 and M15370/9-046.
2
For Parts Inquires submit RFQ to Parts Hangar, Inc.
© Copyright 2015 Integrated Publishing, Inc.
A Service Disabled Veteran Owned Small Business