
MIL-DTL-3928/17C
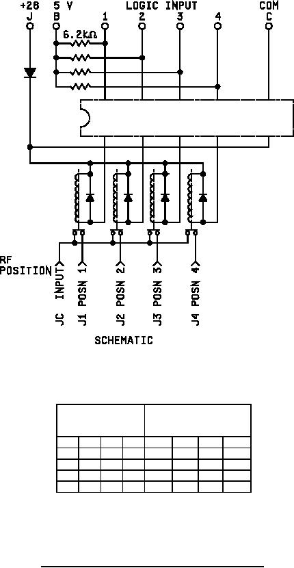
Truth table/pin assignment:
RF
Logic input
terminals
positions
1
2
3
4
1
2
3
4
1
0
0
0
On
---
---
---
0
1
0
0
---
On
---
---
0
0
1
0
---
---
On
---
0
0
0
1
---
---
---
On
FIGURE 3. Switch configuration and schematic, PIN M3928/17-03 - Continued.
5
For Parts Inquires submit RFQ to Parts Hangar, Inc.
© Copyright 2015 Integrated Publishing, Inc.
A Service Disabled Veteran Owned Small Business