
INCH-POUND
MIL-DTL-3928/17C
15 February 2011
SUPERSEDING
MIL-DTL-3928/17B
15 August 2001
DETAIL SPECIFICATION SHEET
SWITCHES, RADIO-FREQUENCY
TRANSMISSION LINE (COAXIAL) (ELECTRICALLY OPERATED)
CLASS 5, 1P4T
This specification is approved for use by all Departments
and Agencies of the Department of Defense.
Requirements for acquiring the switch described herein
shall consist of this specification sheet and MIL-DTL-3928.
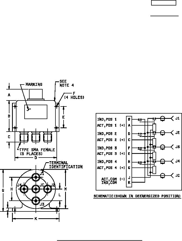
FIGURE 1. Switch configuration and schematic, PIN M3928/17-01.
AMSC N/A
FSC 5985
For Parts Inquires submit RFQ to Parts Hangar, Inc.
© Copyright 2015 Integrated Publishing, Inc.
A Service Disabled Veteran Owned Small Business