
MIL-DTL-3928/17C
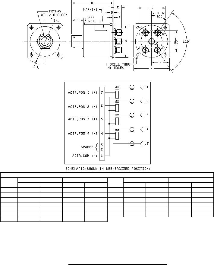
Dimensions
Inches
Millimeters
Inches
Millimeters
Letter
Letter
Max
Min
Max
Min
Max
Min
Max
Min
A
2.34
2.28
59.4
57.9
H
.154 dia
.139 dia
3.91 dia
3.53 dia
B
1.60
---
40.6
---
J
1.380
1.370
35.05
34.80
C
.34
.28
8.6
7.1
K
.697
.677
17.70
17.20
D
.260
.240
6.60
6.10
L
1.072
1.052
27.23
26.72
E
.62
.56
15.7
14.2
M
.885
.865
22.48
21.97
F
.130
.120
3.30
3.05
N
1.78
1.72
45.21
43.69
G
1.560 dia
1.556 dia
39.62 dia 39.52 dia
NOTES:
1. Dimensions are in inches.
2. Metric equivalents are given for general information only (1.00 inch = 25.4 mm).
3. Unless otherwise specified, tolerances are ± .010 (± 0.25 mm) for three place decimals and
± .03 (±0.8 mm) for two place decimals.
4. Round corners of case may be squared.
FIGURE 2. Switch configuration and schematic, PIN M3928/17-02.
3
For Parts Inquires submit RFQ to Parts Hangar, Inc.
© Copyright 2015 Integrated Publishing, Inc.
A Service Disabled Veteran Owned Small Business