
MIL-DTL-3928/15G
Inches
Millimeters
Inches
Millimeters
Letter
Letter
Max
Min
Max
Min
Max
Min
Max
Min
A
2.27
2.23
57.66
56.64
H
.32
.28
8.13
7.11
B
2.12
2.08
53.85
52.83
J
.181
.161
4.597
4.089
C
.54
.50
13.72
12.70
K
.090 thru .096
---
2.286 thru 2.438
---
D
.250
.230
6.350
5.842
L
.28
.24
7.11
6.09
E
.10
.06
2.54
1.52
M
.35
---
8.89
---
F
.46
.42
11.68
10.67
N
.71
.67
18.03
17.02
G
2.100
2.080
53.340
52.832
P
.060
--
1.524
----
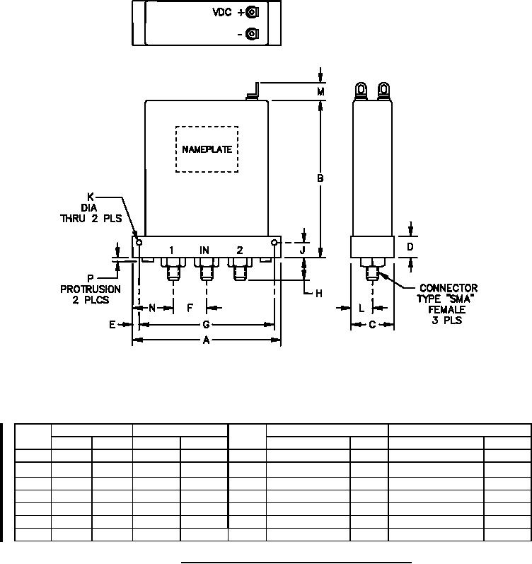
FIGURE 15. Switch configuration and schematic, PIN M3928/15-20.
30
For Parts Inquires submit RFQ to Parts Hangar, Inc.
© Copyright 2015 Integrated Publishing, Inc.
A Service Disabled Veteran Owned Small Business