
MIL-DTL-3928/15G
Inches
Millimeters
Inches
Millimeters
Letter
Letter
Max
Min
Max
Min
Max
Min
Max
Min
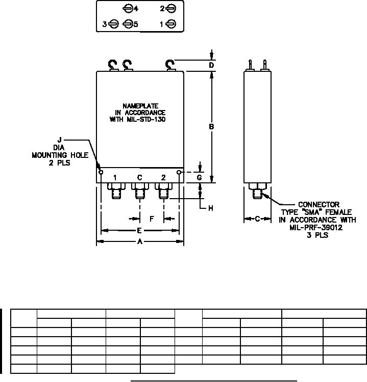
A
1.37
1.31
34.79
33.27
F
.450
.430
11.430
10.922
B
1.43
----
36.32
----
G
.20
.14
5.08
3.56
C
.510
.490
12.954
12.446
H
.34
.28
8.64
7.11
D
.35
----
8.89
----
J
.103
.083
2.616
2.108
E
1.22
1.16
30.99
29.46
FIGURE 14. Switch configuration and schematic, PIN M3928/15-19.
28
For Parts Inquires submit RFQ to Parts Hangar, Inc.
© Copyright 2015 Integrated Publishing, Inc.
A Service Disabled Veteran Owned Small Business