
MIL-DTL-3922/75D
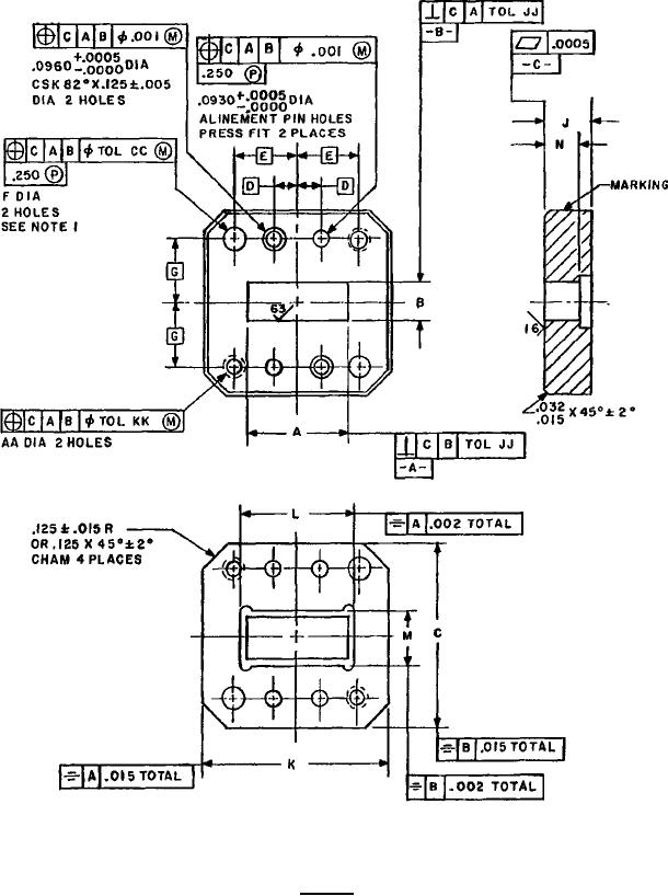
CONFIGURATION 10. COVER FLANGES, SOCKET MOUNTED (PART NUMBERS 21 AND 22)
FIGURE 1. Flanges - Continued.
10
For Parts Inquires submit RFQ to Parts Hangar, Inc.
© Copyright 2015 Integrated Publishing, Inc.
A Service Disabled Veteran Owned Small Business