
MIL-DTL-3922/67E
Inches
mm
Inches
mm
Inches
mm
.0005
0.013
.015
0.38
.130
3.30
.001
0.03
.030
0.76
.140
3.56
.002
0.05
.0600
1.524
.156
3.96
.003
0.08
.0615
1.562
.160
4.06
.004
0.10
.067
1.70
.250
6.35
.005
0.13
.112
2.84
.312
7.92
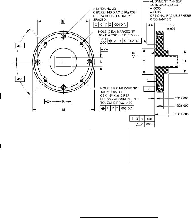
NOTES:
1. Dimensions are in inches.
2. Metric equivalents are given for general information only based upon 1.00 inch = 25.4 mm.
3. See table II for lettered dimensions.
FIGURE 3. Finished flange and waveguide assembly.
4
For Parts Inquires submit RFQ to Parts Hangar, Inc.
© Copyright 2015 Integrated Publishing, Inc.
A Service Disabled Veteran Owned Small Business