
MIL-DTL-3922/67E
Inches
mm
.002
0.05
.005
0.13
.010
0.25
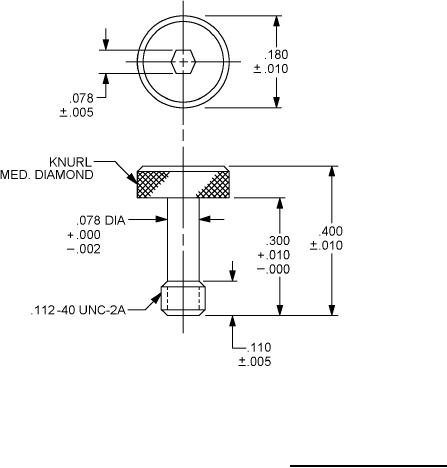
.078
1.98
.110
2.79
.112
2.84
.180
4.57
.300
7.62
.400
10.16
NOTES:
1. Dimensions are in inches.
2. Metric equivalents are for general information only (1.00 inch = 25.4 mm).
FIGURE 2. Socket-head cap screw.
REQUIREMENTS:
Dimensions and configuration: See figure 1 and table I.
Material:
Flange: See table I.
Cap screw: Corrosion resistant steel in accordance with SAE-AMS-QQ-S-763, type 302 or 304.
Marking:
See figure 1.
Part or Identifying Number (PIN): M3922/67-(dash number from table I).
Material supplied with flange: Four socket-head cap screws as specified in figure 2.
ENGINEERING INFORMATION:
Finished flange and waveguide assembly (dash numbers 004 through 013 only): See figure 3 and
table II.
Cross reference and supersession data, frequency range, and return loss data: See table III.
3
For Parts Inquires submit RFQ to Parts Hangar, Inc.
© Copyright 2015 Integrated Publishing, Inc.
A Service Disabled Veteran Owned Small Business