
INCH-POUND
MIL-DTL-3922/67E
17 September 2013
SUPERSEDING
MIL-DTL-3922/67D
3 December 2009
DETAIL SPECIFICATION SHEET
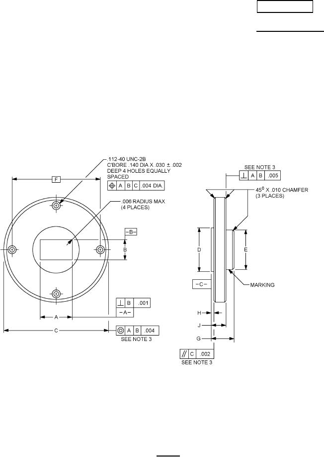
FLANGES, WAVEGUIDE (CONTACT)
(ROUND, 4 HOLE) (MILLIMETER)
This specification is approved for use by all Departments
and Agencies of the Department of Defense.
The requirements for acquiring the flanges described herein
shall consist of this specification sheet and MIL-DTL-3922.
NOTES:
1. Dimensions are in inches.
2. Metric equivalents are for general information only (1 inch = 25.4 mm).
3. This requirement is not applicable to dash numbers 001, 002, or 003.
4. See table I for lettered dimensions.
FIGURE 1. Flange.
AMSC N/A
FSC 5985
For Parts Inquires submit RFQ to Parts Hangar, Inc.
© Copyright 2015 Integrated Publishing, Inc.
A Service Disabled Veteran Owned Small Business