
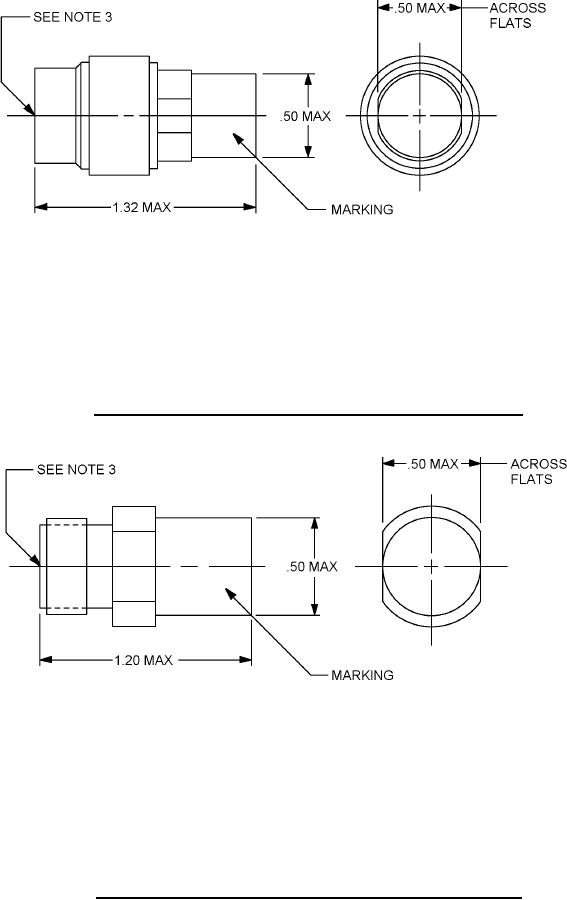
MIL-DTL-39030/5C
Inches
mm
.50
12.7
1.32
33.5
NOTES:
1. Dimensions are in inches.
2. Metric equivalents are given for general information only.
3. Series TNC pin contact interface in accordance with MIL-STD-348.
FIGUER 6. Dimensions and configuration, PIN's M39030/5-06N and M39030/5-06S.
Inches
mm
.50
12.7
1.20
30.5
NOTES:
1. Dimensions are in inches.
2. Metric equivalents are given for general information only.
3. Series TNC socket contact interface in accordance with MIL-STD-348.
FIGURE 7. Dimensions and configuration, PINs M39030/5-07N and M39030/5-07S.
5