
MIL-DTL-39030/5C
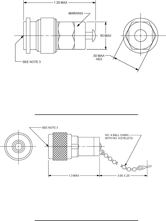
Inches
mm
.50
12.7
1.29
32.8
NOTES:
1. Dimensions are in inches.
2. Metric equivalents are given for general information only.
3. Series TNC pin contact interface in accordance with MIL-STD-348.
FIGURE 2. Dimensions and configuration, PINs M39030/5-02N and M39030/5-02S.
Inches
mm
6.4
.25
33.0
1.3
76.2
3.00
NOTES:
1. Dimensions are in inches.
2. Metric equivalents are given for general information only.
3. Series TNC pin contact interface in accordance with MIL-STD-348.
FIGURE 3. Dimensions and configuration, PINs M39030/5-03N and M39030/5-03S.
2