MIL-DTL-39030/5C
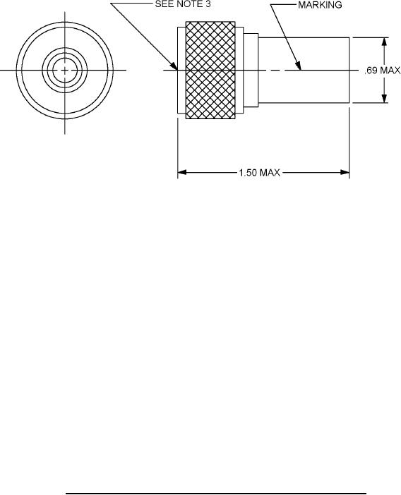
Inches
mm
.69
17.5
1.50
38.1
NOTES:
1. Dimensions are in inches.
2. Metric equivalents are given for general information only.
3. Series TNC pin contact interface in accordance with MIL-STD-348.
FIGURE 4. Dimensions and configuration, PINs M39030/5-04N and M39030/5-04S.
3