
MIL-DTL-39030/3E
Inches
mm
.005
0.13
.01
0.3
.130
3.30
.25
6.4
.26
6.6
.312
7.92
.33
8.4
.61
15.5
2.00
50.8
NOTES:
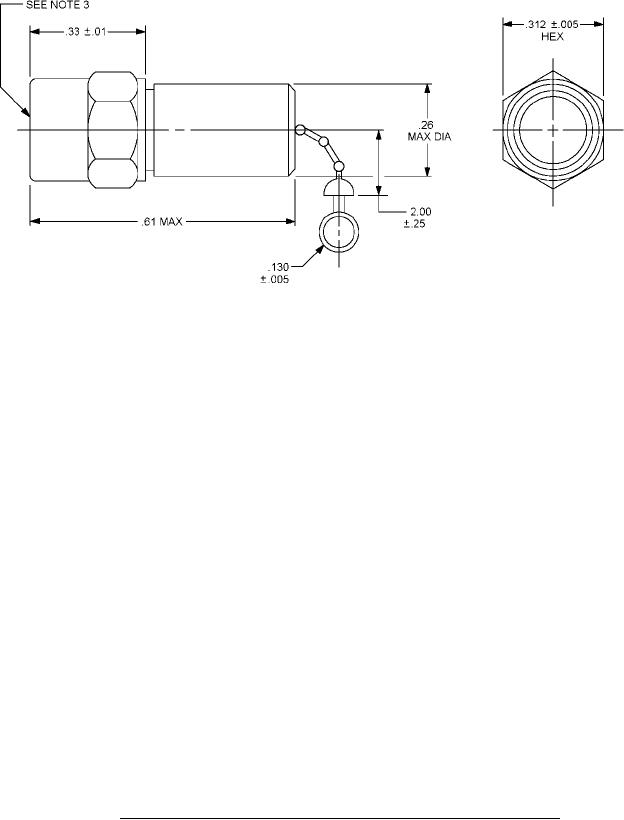
1. Dimensions are in inches.
2. Metric equivalents are given for information only.
3. Series SMA pin contact interface in accordance with MIL-STD-348.
FIGURE 6. Dimensions and configuration, PINs M39030/3-13 and -24 (both N and S).
6
For Parts Inquires submit RFQ to Parts Hangar, Inc.
© Copyright 2015 Integrated Publishing, Inc.
A Service Disabled Veteran Owned Small Business