
MIL-DTL-39030/3E
Inches
mm
.005
0.13
.120
3.05
.140
3.56
.25
6.4
.312
7.92
.80
20.3
2.00
50.8
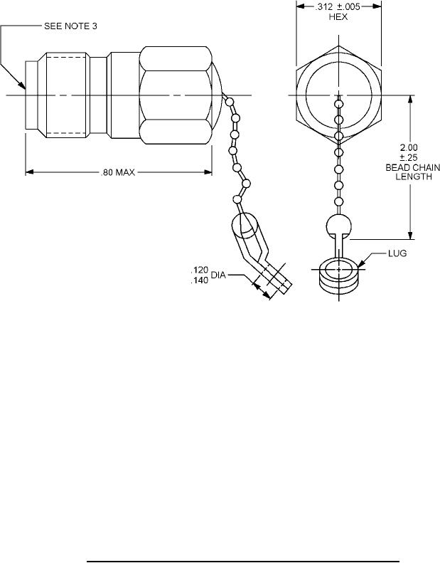
NOTES:
1. Dimensions are in inches.
2. Metric equivalents are given for information only.
3. Series SMA socket contact interface in accordance with MIL-STD-348.
FIGURE 4. Dimensions and configuration, PINs M39030/3-07 and -08 (both N and S).
4
For Parts Inquires submit RFQ to Parts Hangar, Inc.
© Copyright 2015 Integrated Publishing, Inc.
A Service Disabled Veteran Owned Small Business