
MIL-DTL-28791/1C
NOTES:
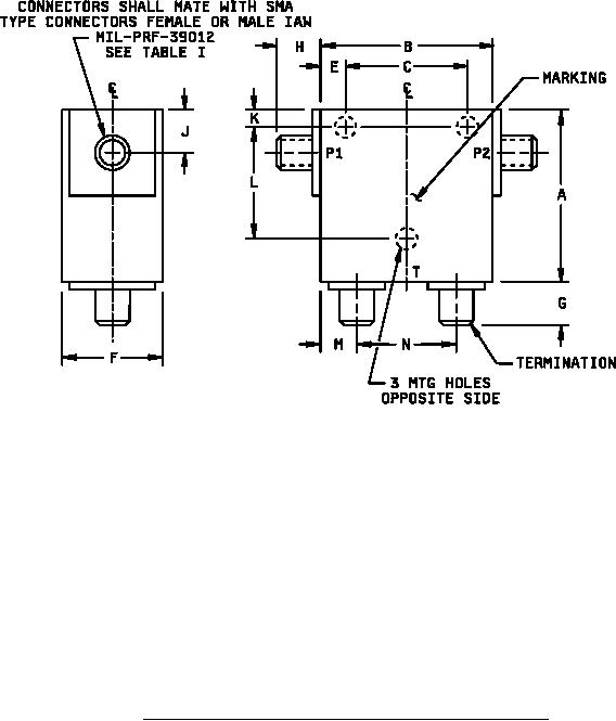
1. See table I for dimensions.
2. All un-dimensioned pictorial representations are for reference purposes only.
FIGURE 5. Dimensions and configurations for dash numbers 026 and 032.
5
For Parts Inquires submit RFQ to Parts Hangar, Inc.
© Copyright 2015 Integrated Publishing, Inc.
A Service Disabled Veteran Owned Small Business