
INCH-POUND
MIL-DTL-28791/1C
10 March 2011
SUPERSEDING
MIL-DTL-28791/1B
20 September 2006
DETAIL SPECIFICATION SHEET
ISOLATORS, RADIO FREQUENCY, COAXIAL
This specification is approved for use by all Departments
and Agencies of the Department of Defense.
The requirements for acquiring the product listed herein shall
consist of this specification sheet and MIL-DTL-28791.
NOTES:
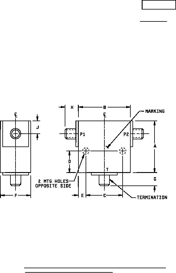
1. See table I for dimensions.
2. All un-dimensioned pictorial representations are for reference purposes only.
FIGURE 1. Dimensions and configurations for dash numbers 001, 002, 003, 004, 005, 016,
017, 020, 022, 023, 024, 025, 030, 031, and 035.
AMSC N/A
FSC 5985
For Parts Inquires submit RFQ to Parts Hangar, Inc.
© Copyright 2015 Integrated Publishing, Inc.
A Service Disabled Veteran Owned Small Business