
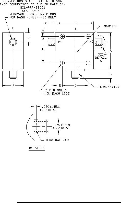
MIL-DTL-28791/1C
STRIPLINE TERMINAL TABS PROTRUSION FROM CASE WHEN INPUT AND OUTPUT
PORT CONNECTORS ARE REMOVED. SHIM CONNECTOR MOUNTINGS AS REQUIRED.
NOTES:
1. See table I for dimensions.
2. All un-dimensioned pictorial representations are for reference purposes only.
3. Metric equivalents are in parentheses.
FIGURE 2. Dimensions and configurations for dash numbers 006, 010, and 014.
2
For Parts Inquires submit RFQ to Parts Hangar, Inc.
© Copyright 2015 Integrated Publishing, Inc.
A Service Disabled Veteran Owned Small Business