
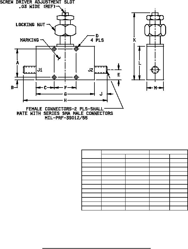
MIL-DTL-24215/9C
Inches
Millimeters
Max
Min
Max
Min
A
.849
.839
21.56
21.31
B
.11
.06
2.8
1.5
C
.58
.52
14.7
13.2
D
.107 dia
.101 dia
2.72 dia 2.57 dia
E
.303
.297
7.70
7.54
F
.661
.651
16.79
16.54
G
1.78
1.72
45.2
43.7
H
2.54
2.48
64.5
63.0
J
.40
.36
10.2
9.1
K
2.03
1.97
51.6
50.0
L
1.03
.97
26.2
24.6
M
.53
.47
13.5
11.9
NOTES:
1. Dimensions are in inches.
2. Metric equivalents are given for general information only.
FIGURE 3. Dimensions and configuration for part number M24215/9-003.
4