
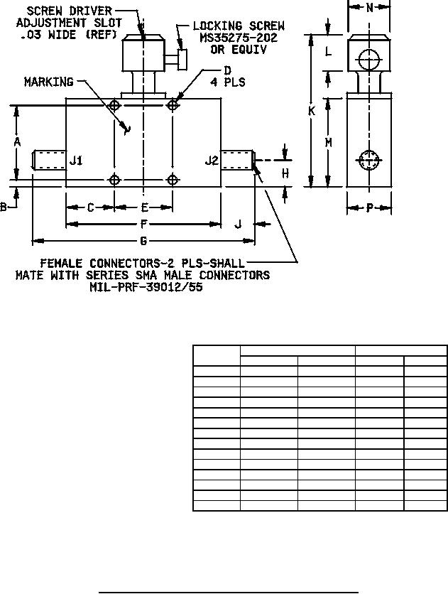
MIL-DTL-24215/9C
Inches
Millimeters
Max
Min
Max
Min
A
.849
.839
21.56
21.31
B
.11
.06
2.8
1.5
C
.58
.52
14.7
13.2
D
.107 dia
.101 dia
2.72 dia 2.57 dia
E
.661
.651
16.79
16.54
F
1.78
1.72
45.2
43.7
G
2.54
2.48
64.5
63.0
H
.303
.297
7.70
7.54
J
.41
.35
10.4
8.9
K
1.75
1.69
44.4
42.9
L
.46
.36
11.7
9.1
M
1.03
.97
26.2
24.6
N
.52
.42
13.2
10.7
P
.53
.47
13.5
11.9
NOTES:
1. Dimensions are in inches.
2. Metric equivalents are given for general information only.
FIGURE 2. Dimensions and configuration for part number M24215/9-002.
3