
INCH-POUND
MIL-DTL-24215/9C
7 June 2002
SUPERSEDING
MIL-A-24215/9B
24 July 1980
DETAIL SPECIFICATION SHEET
ATTENUATORS, VARIABLE (COAXIAL),
CLASS 5 (SMA)
This specification is approved for use by all Depart-
ments and Agencies of the Department of Defense.
The requirements for acquiring the attenuators described
herein shall consist of this specification and MIL-DTL-24215.
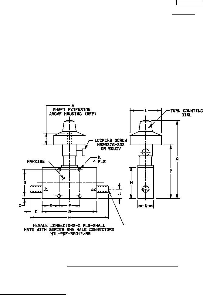
FIGURE 1. Dimensions and configuration for part number M24215/9-001.
AMSC N/A
1 of 10
FSC 5985
DISTRIBUTION STATEMENT A. Approved for public release; distribution is unlimited.