
MIL-DTL-23971/15A
Inches
mm
.002
0.05
.03
0.8
.040
1.02
.19
4.8
.25
6.4
.44
11.2
.50
12.7
.88
22.3
1.00
25.4
1.25
31.7
NOTES:
1. Dimensions are in inches.
2. Metric equivalents are given for general information only.
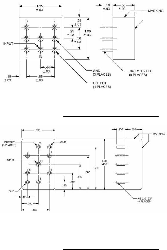
FIGURE 5. Dimensions and configurations, 4-way dash number 12.
Inches
mm
.01
0.3
.03
0.8
.120
3.05
.250
6.35
.290
7.37
.310
7.87
.460
11.7
.500
12.7
.590
15.0
.680
17.3
.870
22.1
1.00
25.4
NOTES:
1. Dimensions are in inches.
2. Metric equivalents are given for general information only.
3. Unless otherwise specified, tolerance is ± .016 inch (0.41 mm).
FIGURE 6. Dimensions and configurations, 6-way, dash number 13.
3
For Parts Inquires submit RFQ to Parts Hangar, Inc.
© Copyright 2015 Integrated Publishing, Inc.
A Service Disabled Veteran Owned Small Business