
MIL-DTL-23971/15A
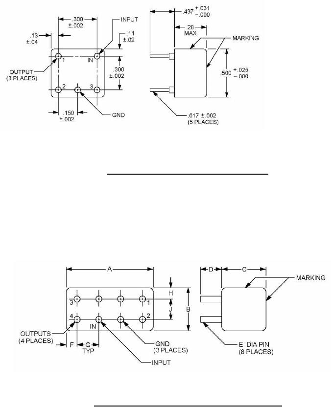
Inches
mm
.002
0.05
.017
0.43
.02
0.5
.025
0.64
.03
0.76
.04
1.0
.11
2.8
.13
3.3
.150
3.81
.300
7.62
.437
11.1
NOTES:
1. Dimensions are in inches.
2. Metric equivalents are given for general information only.
FIGURE 3. Dimensions and configurations, 3-way dash number 09.
FIGURE 4. Dimensions and configurations, 4-way, dash numbers 10 and 11.
2
For Parts Inquires submit RFQ to Parts Hangar, Inc.
© Copyright 2015 Integrated Publishing, Inc.
A Service Disabled Veteran Owned Small Business