
INCH-POUND
MIL-DTL-23971/15A
30 August 2006
SUPERSEDING
MIL-P-23971/15
22 February 1980
DETAIL SPECIFICATION SHEET
POWER DIVIDER/COMBINERS, N-WAY, 0 DEGREES,
RECTANGULAR, PC PINS
This specification is approved for use by all Depart-
ments and Agencies of the Department of Defense.
The requirements for acquiring the product described herein
shall consist of this specification sheet and MIL-DTL-23971.
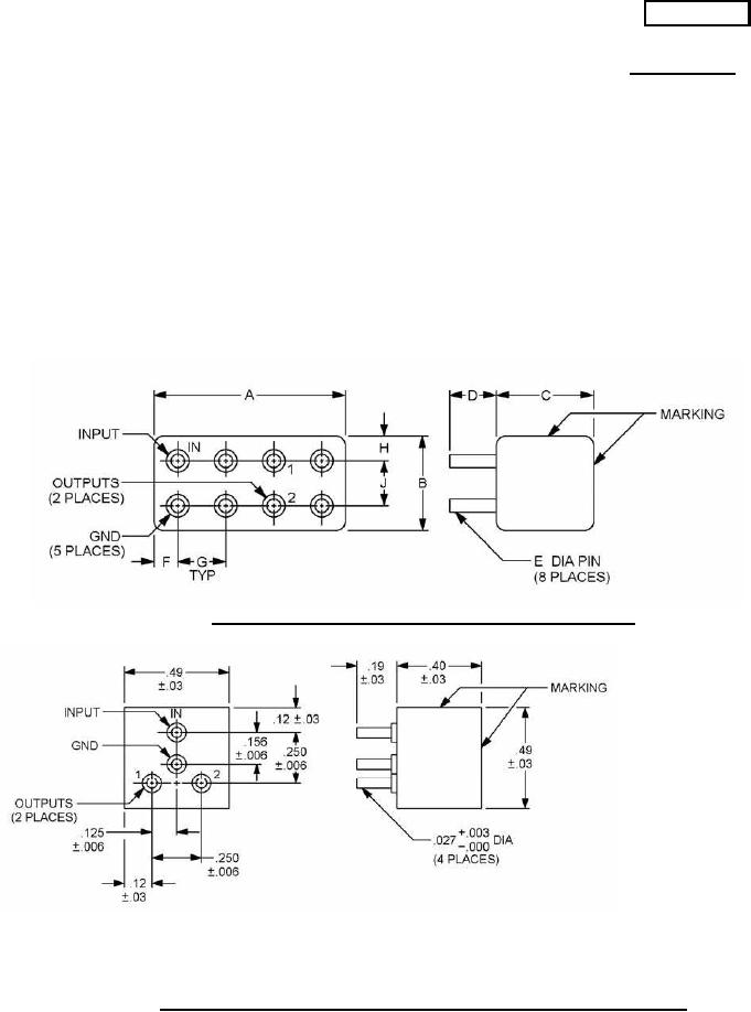
FIGURE 1. Dimensions and configurations, 2-way, dash numbers 01 and 02.
Inches
mm
.003
0.076
.006
0.15
.027
0.69
.03
0.8
.12
3.0
.125
3.18
.156
3.96
.19
4.8
.250
6.35
.40
10.2
.49
12.4
NOTES:
1. Dimensions are in inches.
2. Metric equivalents are given for general information only.
FIGURE 2. Dimensions and configurations, 2-way, dash numbers 03, 04, 05, 06, 07, and 08.
AMSC N/A
FSC 5985
For Parts Inquires submit RFQ to Parts Hangar, Inc.
© Copyright 2015 Integrated Publishing, Inc.
A Service Disabled Veteran Owned Small Business