
MIL-DTL-23971/13A
Inches
mm
.005
0.13
.01
0.3
.02
0.5
.140
3.56
.25
6.4
.312
7.92
.35
8.9
.50
12.7
.625
15.88
.75
19.0
1.25
31.8
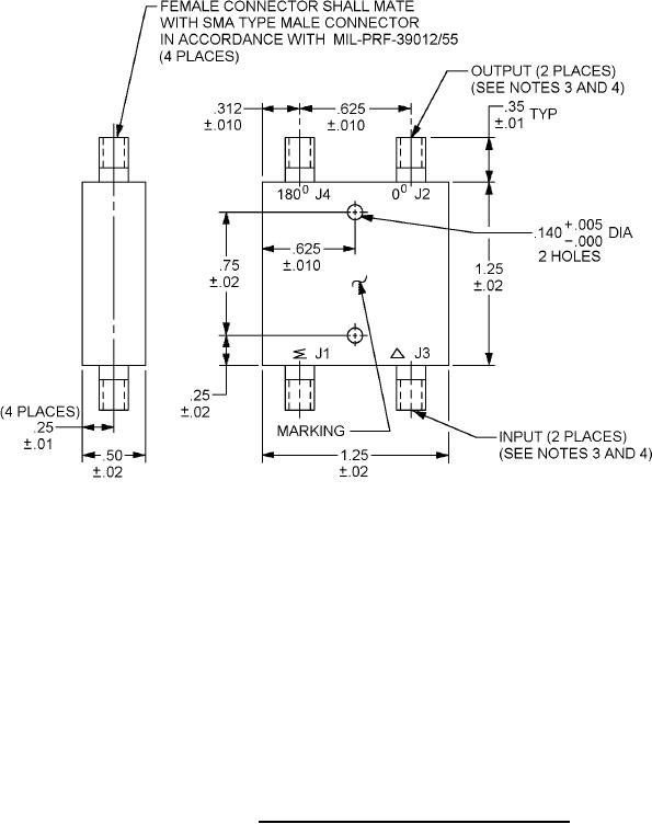
NOTES:
1. Dimensions are in inches.
2. Metric equivalents are given for general information only and are based upon 1.00 inch = 25.4 mm.
3. When power is applied to the sum Σ (J1) port, the power is divided equally between the 180° (J4) and the
0° (J2) ports, and the power at the output ports J2 and J4 are both in phase with port J1.
4. When power is applied to the difference Ć (J3) port, the power is divided equally between the 180° (J4) and
the 0° (J2) ports, and the power at the output ports J2 and J4 are both 180° out of phase with port J3.
FIGURE 3. Dimensions and configuration, dash number 03.
3