
INCH-POUND
MIL-DTL-23971/13A
21 April 2003
SUPERSEDING
MIL-P-23971/13
22 February 1980
DETAIL SPECIFICATION SHEET
POWER DIVIDER/COMBINERS, 2-WAY, 180 DEGREES,
SMA CONNECTORS
This specification is approved for use by all Depart-
ments and Agencies of the Department of Defense.
The requirements for acquiring the power divider/combiner described
herein shall consist of this specification sheet and MIL-DTL-23971.
Inches
mm
.005
0.13
.01
0.3
.02
0.5
.10
2.5
.140
3.56
.35
8.9
.50
12.7
.65
16.5
2.10
53.3
2.70
68.6
3.20
81.3
3.40
86.4
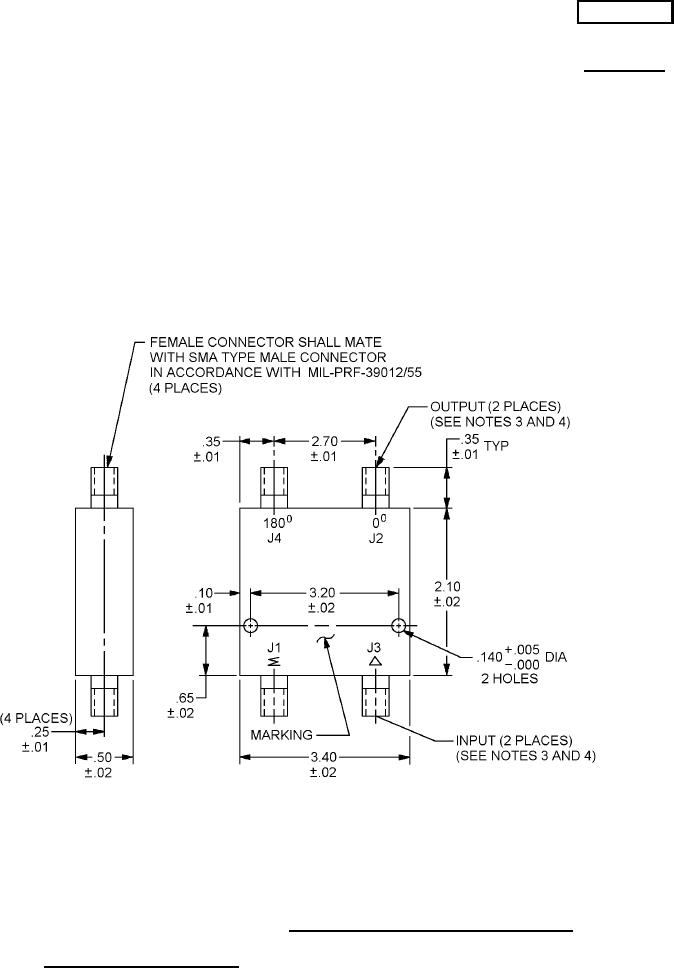
NOTES: 1. Dimensions are in inches.
2. Metric equivalents are given for general information only and are based upon 1.00 inch = 25.4 mm.
3. When power is applied to the sum Σ (J1) port, the power is divided equally between the 180° (J4) and
the 0° (J2) ports, and the power at the output ports J2 and J4 are both in phase with port J1.
4. When power is applied to the difference Ć (J3) port, power is divided equally between the 180° (J4) and
the 0° (J2) ports, and the power at the output ports J2 and J4 are both 180° out of phase with port J3.
FIGURE 1. Dimensions and configuration, dash number 01.
AMSC N/A
1 of 5
FSC 5985
DISTRIBUTION STATEMENT A. Approved for public release; distribution is unlimited.