
MIL-DTL-23971/13A
Inches
mm
.005
0.13
.01
0.3
.02
0.5
.140
3.6
.25
6.4
.35
8.9
.437
11.10
.50
12.7
.75
19.0
1.50
38.1
1.75
44.4
2.125
53.98
2.25
57.2
3.00
76.2
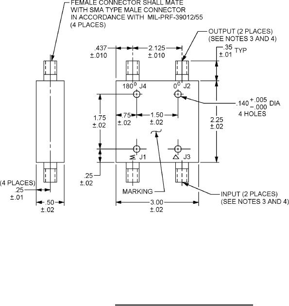
NOTES:
1. Dimensions are in inches.
2. Metric equivalents are given for general information only and are based upon 1.00 inch = 25.4 mm.
3. When power is applied to the sum Σ (J1) port, the power is divided equally between the 180° (J4) and the
0° (J2) ports, and the power at the output ports J2 and J4 are both in phase with port J1.
4. When power is applied to the difference Ć (J3) port, the power is divided equally between the 180° (J4) and
the 0° (J2) ports, and the power at the output ports J2 and J4 are both 180° out of phase with port J3.
FIGURE 2. Dimensions and configuration, dash number 02.
2