
MIL-DTL-3928/30
Dimensions
Inches
Millimeters
Inches
Millimeters
Letter
Letter
Min
Max
Min
Max
Min
Max
Min
Max
A 1.34 ± .030
K .120 ±.010
1.31 1.37
33.3
34.8
.110
.130
2.79
3.30
B 2.15 max
L .220 ±.010
---
2.15
---
54.6
.210
.230
5.33
5.84
C 1.81 ± .020
M .25 ±.030
1.79
1.83
45.5
46.5
.22
.28
5.6
7.1
D .35 max
N.308 ± .032
---
.35
--
8.9
.276
.340
7.01
8.65
E .09 ± .030
P .25 ± .030
.06
.12
1.5
3.0
.22
.28
5.6
7.1
F .28 ± .030
R .50 ± .032
.25
.31
6.4
7.9
.468
.532
11.88
13.51
G .670 ±.010
S .17 ± .030
.660
.680
16.76
17.27
.14
.20
3.6
5.1
H .88 ±.030
T .16 ± .030
.85
.91
21.6
23.1
.13
.19
3.3
4.8
J .440 ± .010
.430
.450
10.92
11.43
NOTES:
1. Dimensions are in inches.
2. Metric equivalents may be determined using 1.00 inch = 25.4 mm.
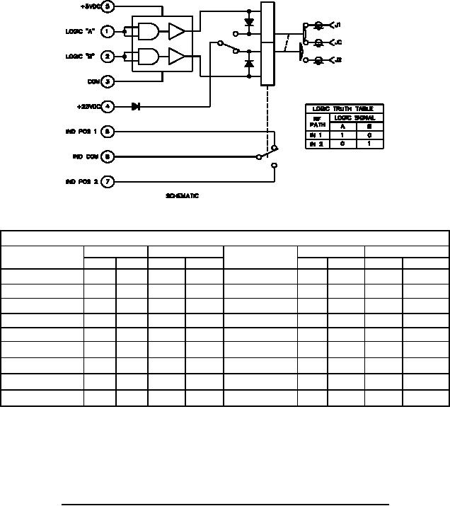
FIGURE 1. Switch configuration and schematic, part or identifying numbers M3928/30-01. Continued
2
For Parts Inquires submit RFQ to Parts Hangar, Inc.
© Copyright 2015 Integrated Publishing, Inc.
A Service Disabled Veteran Owned Small Business