
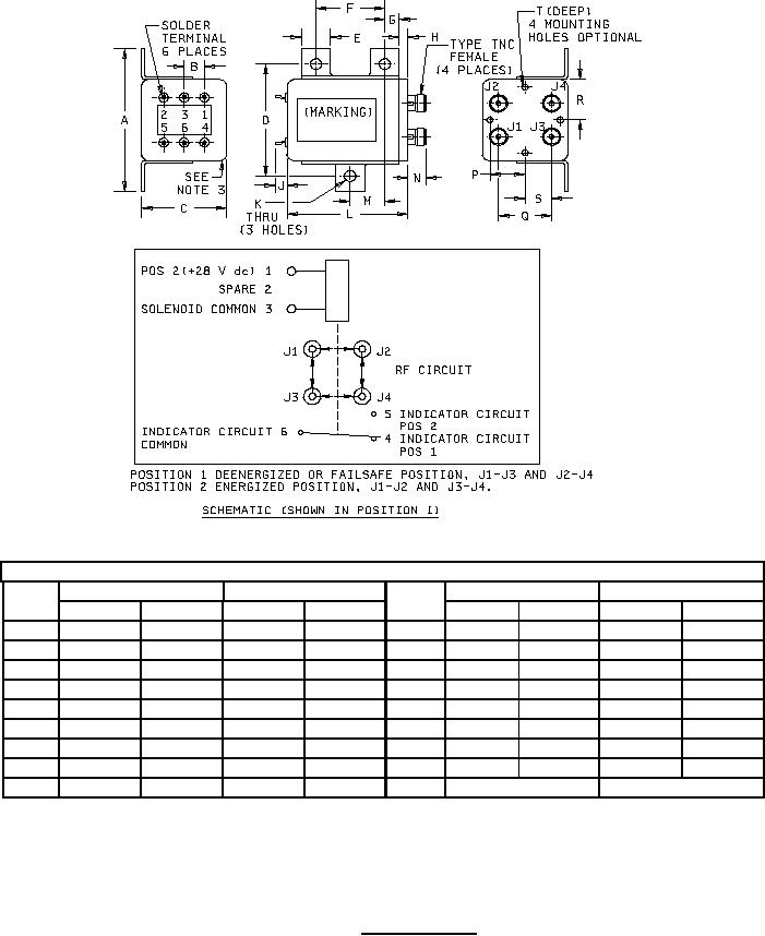
MIL-DTL-3928/21E
Dimensions
Inches
Millimeters
Inches
Millimeters
Letter
Letter
Max
Min
Max
Min
Max
Min
Max
Min
A
3.28
3.22
83.3
81.8
K
.203 dia
.183 dia
5.16 dia
4.65 dia
B
.53
.47
13.5
11.9
L
2.60
---
66.0
---
C
1.90
---
48.3
---
M
.760
.740
19.30
18.80
D
2.610
2.590
66.29
65.79
N
.650
---
16.51
---
E
.63
.57
16.0
14.5
P
.730
.710
18.54
18.03
F
1.510
1.490
38.35
37.85
Q
.895
.875
22.73
22.23
G
.33
.27
8.4
6.9
R
.885
.865
22.48
21.97
H
.28
.22
7.1
5.6
S
.452
.432
11.48
10.97
J
.320
---
8.13
---
T
.138-32UNC-2B X
3.50-32UNC-2B X
NOTES:
1. Dimensions are in inches.
2. Metric equivalents are given for general information only (1.00 inch = 25.4 mm).
3. Unless otherwise specified, tolerances are ± .010 (± 0.25 mm) for three place decimals and
± .03 (±0.8 mm) for two place decimals.
4. Round corners of case may be squared.
FIGURE 2. PIN M3928/21-02.
3
For Parts Inquires submit RFQ to Parts Hangar, Inc.
© Copyright 2015 Integrated Publishing, Inc.
A Service Disabled Veteran Owned Small Business