
INCH-POUND
MIL-DTL-3928/21E
28 January 2013
SUPERSEDING
MIL-DTL-3928/21D
18 July 2008
DETAIL SPECIFICATION SHEET
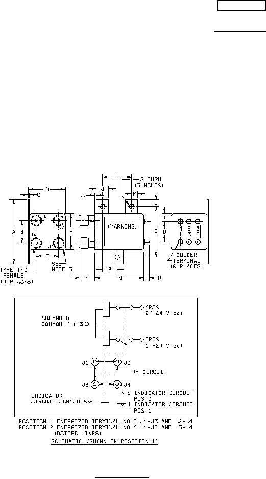
SWITCHES, RADIO-FREQUENCY TRANSMISSION LINE
(COAXIAL) (ELECTRICALLY OPERATED) CLASS 4, TR
This specification is approved for use by all Departments
and Agencies of the Department of Defense.
Requirements for acquiring the switch described herein
shall consist of this specification and MIL-DTL-3928.
FIGURE 1. PIN M3928/21-01.
AMSC N/A
FSC 5985
For Parts Inquires submit RFQ to Parts Hangar, Inc.
© Copyright 2015 Integrated Publishing, Inc.
A Service Disabled Veteran Owned Small Business