
MIL-DTL-3928/10F
Dimensions
Inches
Millimeters
Inches
Millimeters
Letter
Letter
Max
Min
Max
Min
Max
Min
Max
Min
A
3.28
3.22
83.3
81.8
L
.753
.747
19.13
18.97
B
1.78
---
45.2
---
M
2.60
---
66.0
---
C
.198 dia
.192 dia
5.03 dia 4.88 dia
N
.65
---
16.5
---
D
.35
.29
8.9
7.4
P
.730
.710
18.54
18.03
E
2.610
2.590
66.29
65.79
Q
.885
.865
22.48
21.97
F
.49
---
12.4
---
R
.138-32 UNC-2B
3.50-32 UNC-2B
x .25 DP
(No. 6)
x 6.4 DP
(No. 6)
G
1.510
1.490
38.35
37.85
H
.63
.57
16.0
14.5
S
.452
.432
11.48
10.97
J
.33
.27
8.4
6.9
T
.895
.875
22.73
22.23
K
.28
.22
7.1
5.6
NOTES:
1. Dimensions are in inches.
2. Metric equivalents (in millimeters) are given for general information only (1.00 inch = 25.4 mm).
3. Corners of case may be round or square.
4. Unless otherwise specified, tolerances are ± .010 (± 0.25 mm) for three place decimals and
± .03 (±0.8 mm) for two place decimals.
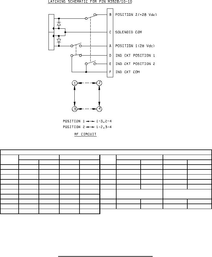
FIGURE 6. PINs M3928/10-08, M3928/10-10, and M3928/10-11 - Continued.
9
For Parts Inquires submit RFQ to Parts Hangar, Inc.
© Copyright 2015 Integrated Publishing, Inc.
A Service Disabled Veteran Owned Small Business