
MIL-DTL-3928/10F
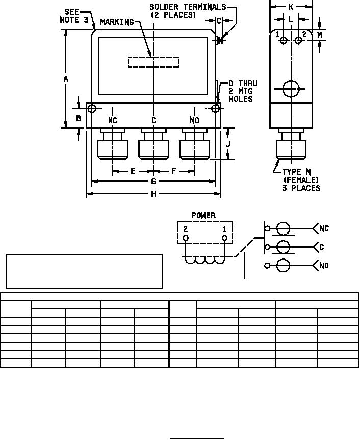
Position 1. (De-energized or failsafe position),
C connects to NC connector.
Position 2. (Energized position),
C connects to NO connector.
Dimensions
Inches
Millimeters
Inches
Millimeters
Letter
Letter
Max
Min
Max
Min
Max
Min
Max
Min
A
1.80
---
45.7
---
G
2.53
2.47
64.3
62.7
B
.390
.370
9.91
9.40
H
2.78
2.72
70.6
69.1
C
.32
---
8.1
---
J
.63
.57
16.0
14.5
D
.166
.156
4.22
3.96
K
.93
.87
23.6
22.1
E
.890
.870
22.61
22.10
L
.28
.22
7.1
5.6
F
.890
.870
22.61
22.10
M
.23
.17
5.8
4.3
NOTES:
1. Dimensions are in inches.
2. Metric equivalents (in millimeters) are given for general information only (1.00 inch = 25.4 mm).
3. Corners of case may be round or square.
4. Unless otherwise specified, tolerances are ± .010 (± 0.25 mm) for three place decimals and
± .03 (±0.8 mm) for two place decimals.
FIGURE 7. PIN M3928/10-12.
10
For Parts Inquires submit RFQ to Parts Hangar, Inc.
© Copyright 2015 Integrated Publishing, Inc.
A Service Disabled Veteran Owned Small Business