
MIL-DTL-3922/62D
Inches
mm
.002
0.05
.003
0.08
.004
0.10
.005
0.13
.015
0.38
.094
2.39
.250
6.35
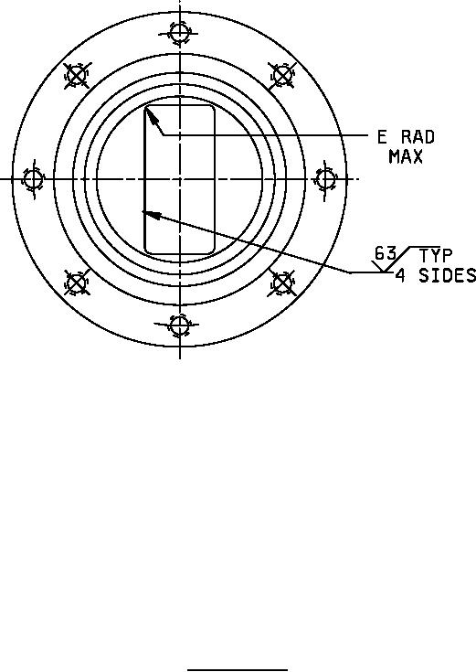
NOTES:
1. Dimensions are in inches.
2. Metric equivalents are in parentheses.
3. Metric equivalents (to the nearest .01 mm) are given for general information only and are based upon 1.00 inch = 25.4 mm.
4. Roughness of mating surfaces, including seal groove, shall not exceed 63 microinches in accordance with ASME-B46.1,
except that flaws shall be included in the roughness height measurement.
FIGURE 1. Flange configuration - Continued.
2