
INCH-POUND
MIL-DTL-3922/62D
8 January 2010
SUPERSEDING
MIL-DTL-3922/62C
6 March 2000
DETAIL SPECIFICATION SHEET
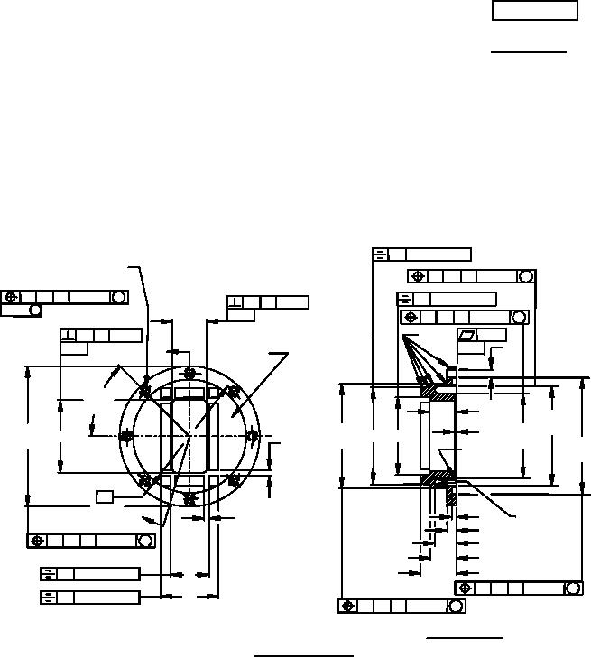
FLANGES, WAVEGUIDE (CHOKE)
(ROUND, 8 HOLE (2 HOLES CENTERED HORIZONTALLY,
2 HOLES CENTERED VERTICALLY))
This specification is approved for use by all Depart-
ments and Agencies of the Department of Defense.
The requirements for acquiring the flanges described herein
shall consist of this document and MIL-DTL-3922.
A .015 TOTAL
F DIA
C A B Ø .003 M
8 HOLES
C A B Ø .006 M
B .003 TOTAL
C A .004
.250 P
-B-
C A B Ø .003 M
B
.094 R
.002
C B .004
MAX.
M
-C-
-A-
A
MARKING
45°
8 PLS.
P
R
DIA.
G
N
C
Q
K
L
A
DIA.
DIA.
DIA.
S
AA
Z
DIA.
RAD.
D
DIA.
A
.005 R
T
AA
MAX.
H
C A B Ø .015 M
U
V
J
B .003 TOTAL
Y
C A B Ø .005 M
W
B .015 TOTAL
C A B Ø .015 M
SECTION A - A
FIGURE 1. Flange configuration.
AMSC N/A
FSC 5985