
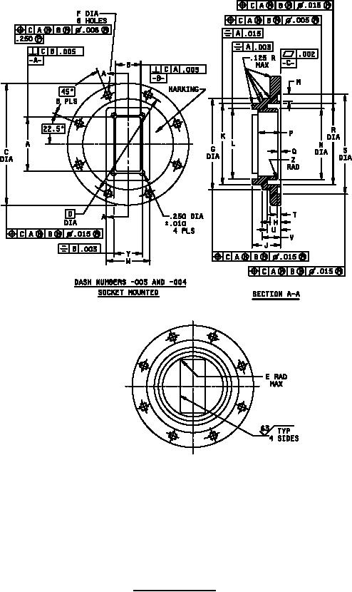
MIL-DTL-3922/61E
NOTES:
Inches
mm
1. Dimensions are in inches.
.002
0.05
2. Metric equivalents are in parentheses.
.003
0.08
3. Metric equivalents are given for general information only and are based
.005
0.13
upon 1.00 inch = 25.4 mm.
.006
0.15
4. Roughness of mating surfaces, including seal groove, shall not exceed 63 microinches
.010
0.25
in accordance with ASME B46.1, except that flaws shall be included in the roughness
.015
0.38
height measurement.
.125
3.18
.250
6.35
FIGURE 1. Flange configurations - Continued.
2