
INCH-POUND
MIL-DTL-3922/61E
8 January 2010
SUPERSEDING
MIL-DTL-3922/61D
6 March 2000
DETAIL SPECIFICATION SHEET
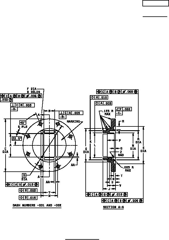
FLANGES, WAVEGUIDE (CHOKE)
(ROUND, 8 HOLE)
This specification is approved for use by all Depart-
ments and Agencies of the Department of Defense.
The requirements for acquiring the flanges described herein shall
consist of this document and the latest issue of MIL-DTL-3922.
FIGURE 1. Flange configurations.
AMSC N/A
FSC 5985