
INCH-POUND
MIL-DTL-3922/60D
23 July 2013
SUPERSEDING
MIL-DTL-3922/60C
27 May 2008
DETAIL SPECIFICATION SHEET
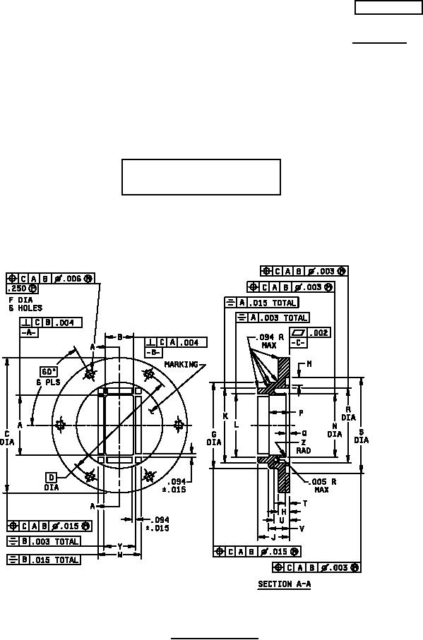
FLANGES, WAVEGUIDE (CHOKE)
(ROUND, 6 HOLE)
This specification is approved for use by all Departments
and Agencies of the Department of Defense.
INACTIVE FOR NEW DESIGN
AFTER 18 SEPTEMBER 1998
The requirements for acquiring the flanges described
herein shall consist of this document and MIL-DTL 3922.
FIGURE 1. Flange configuration.
AMSC N/A
FSC 5985