
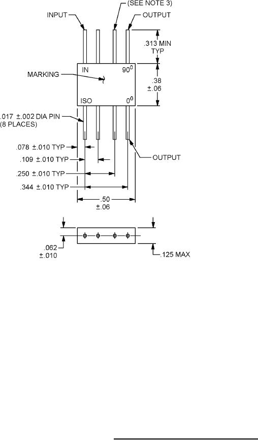
MIL-DTL-23971/8A
Inches
mm
.002
.05
.010
.25
.017
.43
.06
1.5
.062
1.57
.078
1.98
.109
2.77
.125
3.18
.250
6.35
.313
7.95
.344
8.74
.38
9.7
.50
12.7
NOTES:
1. Dimensions are in inches.
2. Metric equivalents are given for general information only and are based upon 1.00 inch = 25.4 mm.
3. Pins not marked are grounded to the internal circuit of the power divider, by the manufacturer.
FIGURE 2. Dimensions and configuration, dash number 02.
2