
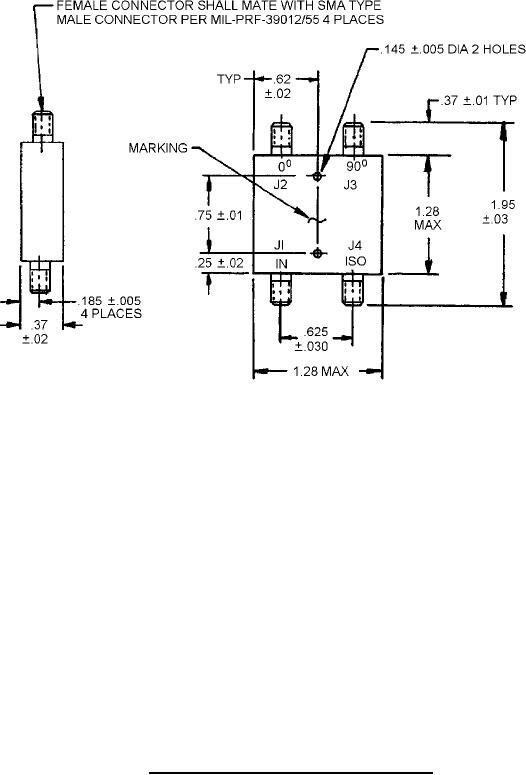
MIL-DTL-23971/2D
Inches
mm
.005
.1
.01
.3
.02
.5
.03
.8
.030
.76
.145
3.68
.185
4.70
.25
6.35
.37
9.40
.62
15.7
.625
15.9
.75
19.0
1.28
32.5
1.95
49.5
NOTES:
1. Dimensions are in inches.
2. Metric equivalents are given for general information only.
FIGURE 4. Dimensions and configuration, dash number 10.
3